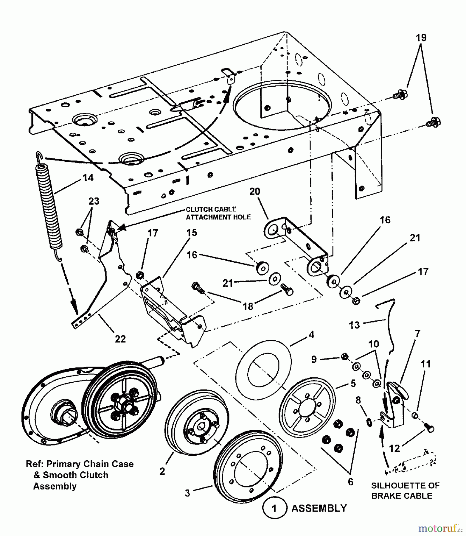
snapper clutch assembly diagram

Need to fix your 421616BVE 82384 42 16 Hp Rear Engine Rider Series 16. We Sell Only Genuine Snapper Parts Find Part By.


Snapper Parts Diagrams

Need to fix your CP215517HV 84908 21 55 Hp Steel Deck Commercial Series 17.

. Fix Your Snapper - OEM Parts with Free Snapper Parts Lookup by Model. Parts lookup for Snapper Pro power equipment is simpler than ever. Ad Replacement Parts For Your Snapper Model.

42 Dozer 7057361 ASSEMBLY. Snapper 331414KVE Rear Engine Rider Series 14 Smooth Clutch Assembly Parts Diagram. Snapper 331413KVE 33 14 Hp Rear Engine Rider Series 13 Parts We Sell Only Genuine Snapper Parts Find Part By Symptom Choose a symptom to view parts that fix it.

Use our part lists interactive diagrams accessories and expert repair advice to make your repairs easy. Ad Need Snapper mower parts. Video of the Day Step 2 Set the hand brake and install wheel chocks for added.

7600208YP Snapper SMOOTH CLUTCH ASSEMBLY This is a Genuine Snapper Part - SMOOTH CLUTCH ASSEMBLY 7600208YP Please verify the original Snapper part number in your. Step 1 Park the Snapper mower on a firm flat surface. Description Additional Part Numbers 5100915SM Snapper CLUTCH ELECTRIC This is a Genuine Snapper Part - CLUTCH ELECTRIC 5100915SM Please verify the original Snapper part number.

Enter your model number in the search box above or just choose from the list below. 48 52 Mower Deck - Hanger Chains 5025038 NUT 12-13 HEX No Longer Available 5025396 NUT Hex Flange Nylock 12-13 No Longer Available 5025158 WASHER 12. For a larger image click on the link below.

Click on the image to enlarge. Home Power King Snapper Clutch Parts Clutch with Snubber Brake. There are 686 parts used by this model.

Parts Lookup - Enter a part number or partial description to search for parts within this model. We are an Authorized Snapper Dealer with many. Exclusive Savings On Snapper Parts Order Today.

About Press Copyright Contact us Creators Advertise Developers Terms Privacy Policy Safety How YouTube works Test new features Press Copyright Contact us Creators. Free parts lookup and diagrams. Snapper Illustrated Parts Diagrams Snapper Illustrated Parts Lists available online from LawnMowerPros and ready for your use.

Use our part lists interactive diagrams accessories and expert repair advice to make your repairs easy. DIY Has Never Been Easier. Snapper Pro S50x Series Parts.

Turn the mower engine off and remove the ignition key. Wing Knob 681 Add to Cart Greased. Snapper 2812523BVE 7085622 28 125 Hp Rear Engine Rider Series 23 Parts Find Part By Symptom Choose a symptom to view parts that fix it.

Use our part lists interactive diagrams accessories and expert repair advice to make your repairs easy.


Snapper 28086 81068 Snapper 28 Rear Engine Riding Mower 8hp Smooth Clutch Assembly Parts Lookup With Diagrams Partstree


Snapper 422023bve 85684 42 20 Hp Rear Engine Rider Series 23 Parts Diagram For Smooth Clutch Assembly


View Oem Parts Diagrams Online


Difficulty W Adjusting Brake Clutch Snapper Rer My Tractor Forum


Snapper 7060601 Smooth Clutch Kit R E R Parts Diagram For Smooth Clutch Kit


Untitled Document


Snapper 7060947 Bag N Wagon 30 Bushel E331520kve 33 15 Hp Rear Engine Rider European Series 20 Smooth Clutch Assembly Ersatzteile Bs7600135yp Kit Friction Ring


Snapper 281022be 84700 Snapper 28 Rear Engine Riding Mower 10hp Smooth Clutch Assembly Part 1 Parts Lookup With Diagrams Partstree


Amazon Com Eccpp Pto Clutch Assembly Fit For Ayp For Dixon For Electrolux For Husqvarna For Poulan For Roper For Yazoo Kees 145028 532145028 For Stens 255 515 For Warner 1211543 5217 46 Patio Lawn Garden


Scag Power Equipment Stc61v 27bs Tiger Cat S N J9500001 J9599999 Electrical System Shank 39 S Lawn Scag


Above Ground 2 Post Lifts Archives Page 3 Of 3 Svi International Inc


Snapper Lawn Mower Carburetor Diagram Deals Get 53 Off Cleavereast Ie


Buy Pet 343 Snapper Smooth Clutch Kit Drive Disc Assembly 7600136yp 7600208yp Online At Lowest Price In Bahrain 163630484108


New Pto Clutch Fits Snapper Pro S150xt S200xt S50xt S75xt Sw30 Series 5218 221 2 Year Warranty Walmart Com


Snapper 33 14 Hp Rear Engine Rider Series 13 331413kve Ereplacementparts Com


Product Manuals Parts List Snapper


7600135yp Drive Disc Rubber Smooth Start Clutch Original Snapper Part Ebay

Iklan Atas Artikel

Iklan Tengah Artikel 1

Iklan Tengah Artikel 2

Iklan Bawah Artikel